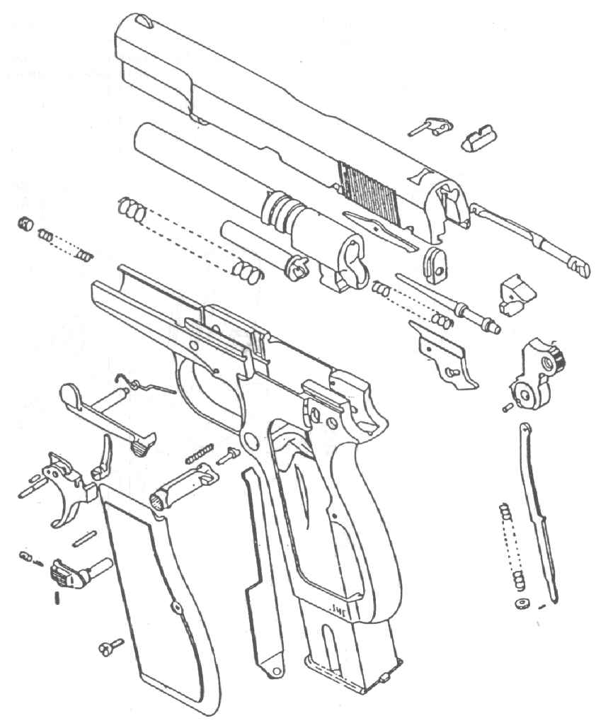
Browning GP 35.